
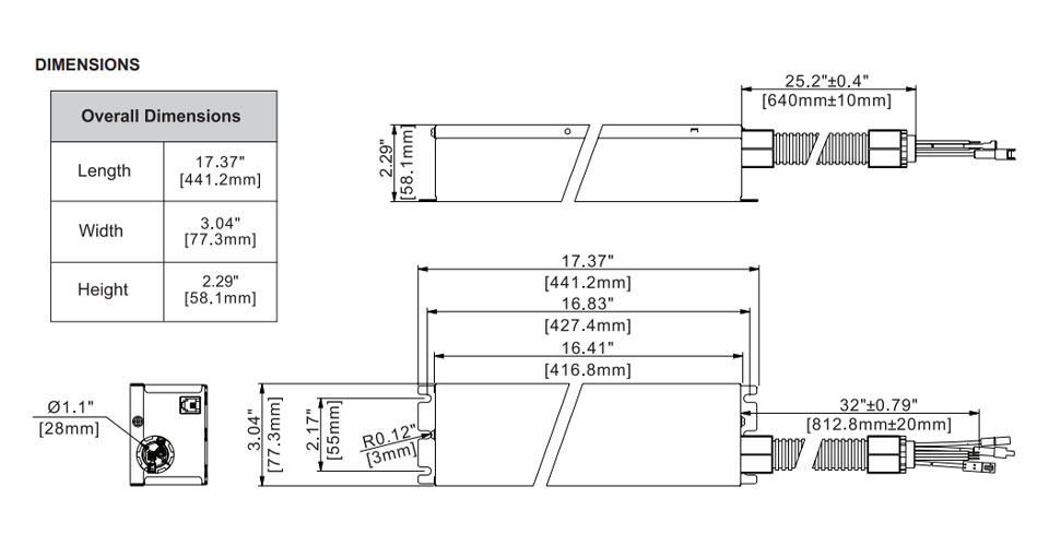
The MI-50 delivers power to any fixture (any tech type) in emergency mode for 90 minutes at 50W. The MI Series is designed to function in conjunction with the existing building electrical system to provide back-up power protection and distribution for lighting loads and other critical loads in the event of utility power failure. The MI-50 can support one luminaire rated for 320W or multiple fixtures whose system wattage adds up to 320W in nominal operation. In the event of a power failure, all connected fixtures are powered at full output providing brighter illumination for a clear path of egress.

Be in the light with lighting news and promotions.
